鲁传安 ^{1,2} ,叶爱君 ^{2}
(1. 上海市隧道工程轨道交通设计研究院 上海市 200070;2. 同济大学土木工程防灾国家重点实验室 上海市 200092)
摘要: 以工程实例群桩基础为背景,采用 Pushover 分析方法,建立群桩基础弹塑性分析模型,分析了冲刷效应、设置斜桩、增加桩基配筋率三种因素对群桩基础抗震能力的影响。结果表明,群桩基础屈服和极限状态对应的侧向抗力与水平位移对冲刷深度有着较强的敏感性;设置斜桩和适当增加桩基配筋率能在一定程度上改善群桩基础的抗震能力。
关键词: 群桩基础;冲刷效应;设置斜桩;桩基配筋率
群桩基础是桥梁工程广泛采用的一种基础形式,根据震害调查研究,桩基础往往是一座桥梁中的抗震薄弱部位。随着桩基工程的迅速发展和人类防震减灾的迫切需要,群桩基础的抗震能力已经成为当今地震工程界和土木工程界的一个重要研究热点。
关于桥梁群桩基础地震反应分析已经有诸多学者做过较深入地研究,但是对于其抗震能力研究还比较少。已经有相关文献对桥梁群桩基础抗震能力分析方法进行了详细和深入地研究,提出基于 Pushover 的分析方法,将群桩基础作为一个整体构件,采用弹塑性梁柱单元模拟桩身及 p-y 曲线模拟桩周土分析模型进行群桩基础抗震性能研究。但是,影响群桩基础抗震性能的因素在工程实践中有很多,它们对群桩基础的抗震性能将产生哪些影响,影响程度有多大,还不得而知。
本文将结合工程实际,采用 Pushover 分析方法,分析冲刷效应对群桩基础抗震能力的影响,并浅析设置斜桩、增加桩基配筋率两种改善群桩基础抗震能力的措施。
1 分析方法简介及模型
1.1 分析方法简介
本文分析采用在桥梁结构抗震能力评价中广泛应用的 Pushover 方法。其基本思想为:通过对桥梁结构施加某一模式的侧向分布力,并逐渐增加,直至结构达到预定的变形状态或倒塌状态,得到结构顶点水平位移与水平力的关系曲线,即为能力曲线。进行 Pushover 分析时,关键是要确定合理的加载模式、建立正确的弹塑性分析模型,特别对相对于墩柱更为复杂的群桩基础进行分析更为重要。本文加载模式采用在承台底加载侧向集中力的模式,但要考虑轴力和弯矩的影响,这一加载模式主要考虑了基础以上桥梁结构传下来的地震惯性力。
桩身单元采用基于柔度法的弹塑性纤维梁柱单元,它是一种实用精细非线性分布塑性单元。单元沿轴向被离散成许多段,每一段的特性由中间横截面(或切片)来代表,而横截面又进一步被离散成许多混凝土纤维和钢筋纤维。混凝土应力一应变关系常用 Kent-Park 模型来模拟,钢筋用 Giuffre-Menegotto-Pinto 模型模拟。
桩周土约束作用采用 p-y 曲线法模拟,该法能较好地模拟桩土反应的弹塑性发展过程。且适用于发生较大变位的横向受荷桩。桩周土的特性用曲线描述,该曲线把地面以下不同深度处土对桩身抗力 p 和桩在该深度处的水平变位 y 相关联,称为 p-y 曲线。本文进行群桩基础抗震能力分析时,采用简单而又广泛使用的 Matlock 方法计算相应的 p-y 曲线。
本文将截面曲率作为构件性能指标进行监控,以单桩最不利截面曲率达到屈服曲率(截面内第一根钢筋屈服时的曲率)定义为单桩达到屈服状态;单桩最不利截面曲率达到极限曲率(截面内钢筋达到指定极限拉应变或混凝土达到指定极限压应变时的曲率)定义为单桩达到极限状态。而群桩基础的屈服状态定义为第一根单桩达到屈服状态;极限状态定义为第一根桩达到极限状态。
群桩基础最大位移延性系数 \mu_{\Delta} 定义为群桩基础极限状态对应承台底的水平位移 u_{u} 与屈服状态对应承台底的水平位移 u_{y} 之比,即:
群桩基础抗力增大系数 F_{\Delta} 定义为群桩基础极限状态对应承台底的水平推力 F_u 与屈服状态对应承台底的水平推力 F_y 之比,即:
1.2 分析模型
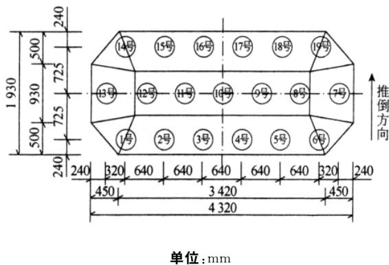
本文分析模型原型为某大桥辅助墩群桩基础,采用 19 根直径 2.8\mathrm{m} / 2.5\mathrm{m} 变直径的钻孔灌注桩基础,布置成梅花形。为了简化,统一把桩基直径设为 2.8\mathrm{m} 。桩基长为 116\mathrm{m} ,桩身采用 C30 的混凝土,桩身纵筋是 72 根直径为 36\mathrm{mm} 的Ⅱ级钢筋。群桩基础平面布置如图 1 所示,另外,还标出了各桩的编号,以便于后文的具体研究。

图 1 基础平面布置
计算模型基于 opensees 程序建立三维有限元模型。混凝土材料本构模型采用 Kent-Park 模型,钢筋材料本构模型采用 Giuffre-Menegotto-Pinto 钢筋模型。每根桩划分为 29 个弹塑性纤维梁柱单元,每个截面划分为 400 个约束混凝土纤维及 50 个保护层混凝土纤维,每根钢筋划分为 1 个钢筋纤维,共 72 个,所以整个桩基截面的纤维数为 522 个。桩顶质点之间采用主从约束。
假设群桩基础处于单一均匀黏土土层中,本模型桩周土的约束采用非线性的 Matlock(1970)法 p-y 弹簧模拟,黏土的不排水剪切强度设为 50\mathrm{kN / m^2} ,黏土有效容重取为 10\mathrm{kN / m^3} ;此外,模型中也考虑了群桩效应的影响,即采用被学者广泛应用的 p 修正系数法进行群桩 p-y 曲线修正。群桩基础的三维模型如图 2 所示。

图 2 群桩基础三维模型
此外,加载模式为在承台底施加一定弯矩与轴力的前提下,不断增加水平推力荷载。轴力根据整个群桩基础在纯压状态下的竖向承载能力 [P] 按比例加载,弯矩根据基础在纯弯状态下的抗弯能力 [M] 按比例加载。本文分析模型取轴力为 0.3[P] ,弯矩为 0.2[M] 。
2 冲刷效应对群桩基础抗震能力影响分析
当桥梁群桩基础位于水流比较大或者随季节变化水流在不断变化的环境中,就会受到强烈的冲刷作用。本文为了分析河床冲刷对桥梁群桩基础抗震性能影响规律,分别设 l = 0\mathrm{m} (无冲刷)、 l = 8\mathrm{m}, l = 16\mathrm{m}, l = 24\mathrm{m} 四种冲刷深度工况进行比较分析。
图 3 为群桩基础在不同冲刷深度下 Pushover 分析推倒曲线比较图,并在图中标出了群桩基础的屈服状态和极限状态。由图 3 可见,群桩基础屈服和极限状态对应的侧向抗力随着冲刷深度的加深而变小,而承台底水平位移则在变大。究其原因,冲刷越深,桩的自由长度越长,土对桩的约束就越小,承台达到同一水平位移所需的水平推力便越小,即群桩基础越柔。
表 1 为群桩基础屈服和极限状态时对应的群桩基础抗震性能指标值。由表 1 可知,群桩的位移延性系数随冲刷深度加深而增加,增幅很小,最大值和最小值分别为 2.035、1.870;抗力增大系数随冲刷深度加深而变大,但是增幅比较小,其值范围为 1.116 \sim 1.166 。

图 3 群桩基础推倒曲线
图 4、图 5 为群桩基础控制桩之一 1 号桩在极限状态时的桩身曲率及位移。可见,对于桩身曲率分布,冲刷深度变化并没有明显改变其分布形状,但是最不利截面的位置随着冲刷深度的加深而下降。而对于桩身位移,可见同一桩深位置处,随着冲刷深度加深,位移在增大。
表 1 群桩基础各状态对应的抗震性能
| 冲刷深度/m | 群桩基础的状态 | 承台底水平推力/kN | 承台底水平位移/m | 位移延性系数 | 抗力增大系数 |
|---|---|---|---|---|---|
| 0 | 屈服状态 | 60 771 | 0.524 | 1.870 | 1.116 |
| 极限状态 | 67 829 | 0.980 | |||
| 8 | 屈服状态 | 46 240 | 0.593 | 1.876 | 1.133 |
| 极限状态 | 52 396 | 1.113 | |||
| 16 | 屈服状态 | 36 708 | 0.716 | 1.894 | 1.147 |
| 极限状态 | 42 116 | 1.356 | |||
| 24 | 屈服状态 | 30 143 | 0.869 | 2.035 | 1.166 |
| 极限状态 | 35 156 | 1.769 |

图 4 1 号桩极限状态桩身曲率

图 5 1 号桩极限状态桩身位移
3 群桩基础抗震能力的改善措施
3.1 设置斜桩
在工程实践中,为了提高群桩基础的水平抗力,而采用斜桩的群桩基础形式,其倾斜角度一般不大于 15^{\circ} ,倾斜角度指桩轴线与竖直方向的夹角。本文为了分析设置斜桩对群桩基础的抗震性能影响规律,分别设 0^{\circ}, 7.5^{\circ}, 15^{\circ} 三个倾斜角度进行对比分析,其中倾斜角度等于 0^{\circ} 时便是竖直桩的情况,沿水平推力加载方向最外边一排桩设置成斜桩。
图 6 为群桩基础对应斜桩不同倾斜角度的 Pushover 分析推倒曲线比较图,并标出了屈服状态和极限状态点。由图 6 可知,随着斜桩倾斜角度增大,群桩基础屈服和极限状态对应的承台底水平推力和位移在增大。当倾斜角度等于 15^{\circ} 时,极限水平抗力比竖桩增加了 11\% 。这是因为斜桩的轴向力水平分量能提供水平抗力,从而增加了群桩基础的侧向抗力。
表 2 为斜桩不同倾斜角度下,群桩基础屈服状态和极限状态对应的群桩基础抗震性能指标值。由表 2 可知,位移延性系数与抗力增大系数受到影响较小,位移延性系数最大为 2.121,抗力增大系数最大为 1.160。

图 6 群桩基础推倒曲线
图 7、图 8 为群桩基础控制桩之一 1 号桩在极限状态时的桩身曲率及位移。对于桩身曲率分布及大小,斜桩对它们的影响都很小;而对于桩身位移,随着倾斜角度的增大,桩身位移在增大。
3.2 增加桩基配筋率
本文在规范规定范围内,适当调整桩基配筋率,从而去分析增加桩基配筋率对群桩基础抗震能力的改善。为此,本文设置三种配筋率进行分析,分别为
表 2 群桩基础各状态对应的抗震性能
| 承台轴力水平 | 群桩基础的状态 | 承台水平推力/kN | 承台水平位移/m | 位移延性系数 | 抗力增大系数 |
|---|---|---|---|---|---|
| 0° | 屈服状态 | 36 708 | 0.716 | 1.894 | 1.147 |
| 极限状态 | 42 116 | 1.356 | |||
| 7.5° | 屈服状态 | 38934 | 0.761 | 2.037 | 1.160 |
| 极限状态 | 45 160 | 1.549 | |||
| 15° | 屈服状态 | 40 445 | 0.794 | 2.127 | 1.160 |
| 极限状态 | 46 906 | 1.685 |

图 7 1 号桩极限状态桩身曲率

图 8 1 号桩极限状态桩身位移
图 9 为桩基不同配筋率下,群桩基础的 Pushover 分析推倒曲线比较图,并标出了屈服状态和极限状态点。由图 9 可知,群桩基础的屈服状态和极限状态,它们所对应的承台底水平位移与水平推力都随桩基配筋率的增大而增大。这是因为,增大桩基配筋率后,群桩基础的控制桩强度和延性均得到了加强,所以控制桩的屈服和破坏需要更大的水平推力与水平位移。

图 9 群桩基础推倒曲线
表 3 为桩基在不同配筋率下,群桩基础屈服状态和极限状态对应的群桩基础抗震性能指标值。由表 3 可知,群桩位移延性系数及抗力增大系数也是随着配筋率增大而增大,但是增幅较小。配筋率从 1.2\% 增到 1.4\% 时,极限侧向抗力与位移分别增加了 10\% 和 22\% 。可见,稍许增加配筋率,群桩基础的抗震性能得到较大改善。
表 3 群桩基础各状态对应的抗震性能
| 配筋率 | 群桩基础的状态 | 承台水平推力/kN | 承台水平位移/m | 位移延性系数 | 抗力增大系数 |
|---|---|---|---|---|---|
| 1.20% | 屈服状态 | 38 324 | 0.746 | 2.046 | 1.160 |
| 极限状态 | 44 458 | 1.526 | |||
| 1.30% | 屈服状态 | 38934 | 0.761 | 2.037 | 1.160 |
| 极限状态 | 45 160 | 1.549 | |||
| 1.40% | 屈服状态 | 39605 | 0.766 | 2.162 | 1.169 |
| 极限状态 | 46 309 | 1.656 |
图 10、图 11 为控制桩之一 1 号桩在极限状态时对应的桩身力学性能。不难看出,配筋率对桩身曲率及位移分布形状几乎没有影响。但是,同一桩深处的曲率及位移均随着配筋率的增加而增大。

图 10 1 号桩极限状态桩身曲率

图 11 1 号桩极限状态桩身位移
4 结语
本文采用 Pushover 分析方法,以一个 19 根桩群桩基础为原型,建立群桩基础的非线性分析模型,分析了冲刷效应对群桩基础抗震能力的影响及改善措施,得到如下结论。
(1)群桩基础屈服和极限状态对应的侧向抗力与水平位移对冲刷深度有着较强的敏感性。冲刷深度越深,群桩基础的水平抗力越小,但是其位移能力越来越高。
(2) 群桩中设置斜桩后,群桩基础的侧向抗力和位移得到改善,15^{\circ} 的倾斜角度分别提高 10\% 和 20\% 左右。
(3)增大桩基配筋率,群桩基础的抗震能力得到了提高,这包括水平抗力能力、水平位移能力。配筋率提高 0.2\% ,侧向抗力提高 10\% 左右,水平位移提高约 20\% 。
(4)本文分析的三种因素对群桩基础的位移延性系数及抗力增大系数影响均较小。位移延性系数范围为 1.870 \sim 2.162 ,抗力增大系数范围为 1.116 \sim 1.169 。
参考文献:
范立础.桥梁抗震 [M]. 上海:同济大学出版社,1997.
刘惠珊. 桩基震害及原因分析——日本阪神大地震的启示 [J]. 工程抗震, 1999, 3(1): 37-43.
范立础,胡世德,叶爱君.大跨度桥梁抗震设计 [M]. 北京:人民交通出版社,2001.
侯爽,欧进萍.结构 pushover 分析的侧向力分布及高阶振型影响 [J]. 地震工程与工程振动,2004;6(3):89-97.
Krawinkler H, Senevirama G D. Pros and cons of a pushover analysis of seismic performance evaluation [J]. EngineeringStructures, 1997, 20:454-464.
黎杰仑.冲刷桩基承受侧向载重之变位分析 [D]. 台北:国立成功土木工程系,1993.
鲁传安. 桥梁群桩基础的抗震性能研究 [D]. 上海:同济大学,2008.